| 上位に戻る | 初版2025/06/23 |
2階の南側に居間があり、主に猫部屋(4匹)になっています。窓外に、お隣さんの室外機が4台と、熱せられた瓦からの温風で、
窓で換気したいが 熱風が入ってきて部屋がめちゃくちゃ熱くなります。猫って暑さにも弱いんです でもクーラは嫌いみたい
で、障子の敷居にハマるようなスリムな換気扇を作ってみました
![]() |
お向かいの1階の屋根に3台の室外機が 屋根が熱せられて、熱々の空気が対流 南向きなのでとにかく熱い |
![]() |
お隣の室外機が狭い通路の1階にあり 熱風が上がってきます 見えてる配管は、うちの風呂用の配管 |
![]() |
プラベニのあまりを使って 120mmファンを取り付けることに プラベニの筋目が曲げ方向に合わせ たかったのですが、あまり品の寸法足らず で、曲げずらい |
![]() |
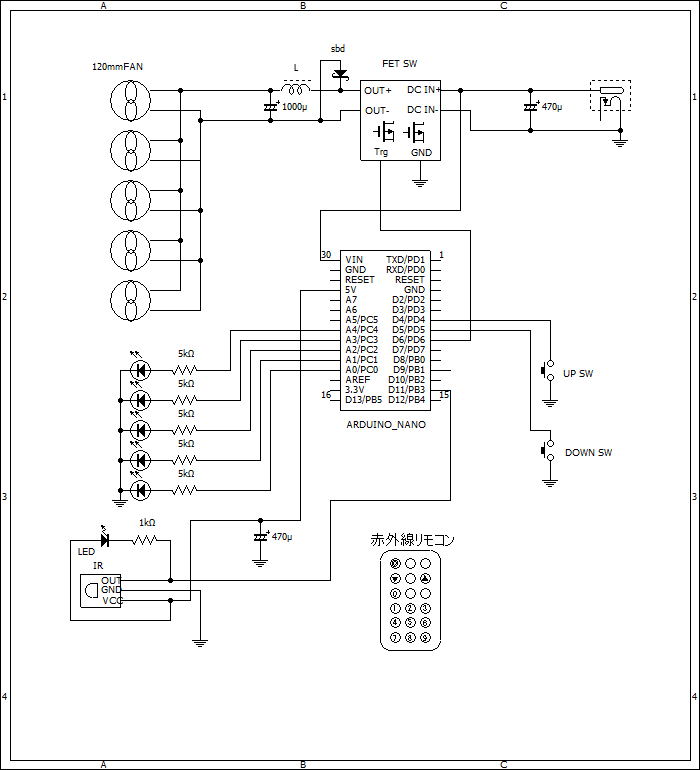
pwm制御できる4線式にしたかった のですが、高いので、安い3線式 ファンを購入しました なので、電源をpwm制御することに |
![]() |
無料で手に入ったArudinoが余っている ので、使うことにしました FETスイッチも余っているものを利用しまし た |
![]() |
風量の状態表示をLEDで5段階表示 赤外線リモコンの受信機を付けました |
![]() |
で、PWM制御すると、ファンが静かな分 490HZの音がうるさい こりゃだめだ 人だと、20KHZくらにすれば聞こえない のだが、猫部屋なので、猫だと 100KHZくらいまで聞こえるらしい 100KHZとかArudinoでは不可能なので LCローパスフィルタ入れて 直流にすることに 周波数は、980HZにしています |
![]() |
|
![]() |
|
![]() |
障子の敷居に取り付けたところ 敷居を滑らせることができるので、 洗濯物の出し入れ時も邪魔になりません 効果は、バッチリ 熱風が入ってこず 快適になりましたあ! |
