| 上位に戻る | 初版2020/11/1 |
残念ながら、中空ポリカ板を使った真空断熱材は、うまくいかず失敗に終わりました。できるだけ熱を逃がさずに、電池で駆動できる冷蔵庫を作って見たかったのですが真空断熱材が失敗に終わったので、建材で、一番熱伝導率の低い断熱材を使って作ってみることにしました。
![]() |
![]() |
![]() |
![]() |













![]() |
当初は、ペルチェ素子1枚で、自然空冷でどうかと思った のですが、ダメでした |
![]() |
前回発泡スチロールを切るのにステンの針金に電気を 通して切りましたが、厚みが厚いため斜めにきることが あったので、針金側を固定してミラフォームをもって切り ました バッチリ斜めにならずに切れました |
![]() |
中空ポリカをナイフでカットして接着材で貼り付けます 内側には、アルミフォイルを貼り付けました ヒンジが付く部分と、外部のヒートシンクを取り付ける ところは、そのままでは強度が無いので、 エポキシ樹脂材を中空部分に充填しました 最初消しゴムで、中空部分に蓋をして充填しましたが モレモレでダメで、 ネオシールを埋めて中空部分を閉鎖しました |
![]() |
もう接着剤だらけです やっぱ素材は、木がいいですわああ |
![]() |
ペルチェ素子とブロックが埋まっている部分は、 5mmくらいの空間を開けて、別の断熱材を充填 しています 床暖した時に、ガス屋が置いていった配管ようの 断熱材を細かく切って充填しました |
![]() |
|
![]() |
![]() |
![]() |
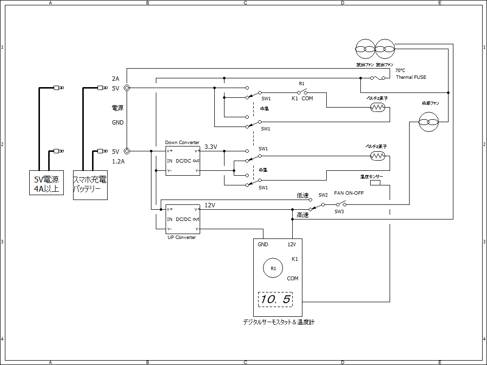
サーモスタットの設定ですが、 今は、温動作なので、P0を H に設定 P2の上限温度を55℃に設定 P6の温度アラームを60℃に設定しました |
![]() |
回路の配線が終わったところ |
![]() |
ペットボトルが、放熱板にくっつくので、熱が伝わる 思きや なかなか伝わらないので、 4cm角の静音ファンと、小型のヒートシンクを追加 しました |
![]() |
温度が上がりすぎて、PP板はがれるなどえらいことに 3.3Vの電圧を調整できるにボリュームの箇所に 穴を開けて調整できるおうに また電圧チェック端子を増設しました |
![]() |
さて、どのくらい外に温度が漏れているか見てみよう とりあえず、2台の温度計が0.5℃ずれがあったので、補正値を設定して ぴったりになるように調整しました |
![]() |
側面と、外部温度、庫内温度を比較してみます |
![]() |
庫内温度が、48.4℃ 外部温度が、20.2℃ 温度差28.2℃ 側面の温度が、22.0℃で、 1.8℃ 高いです 感覚的には、前回使った、3cmの発泡スチロールとさほど差がないよう に思います。 |